top of page

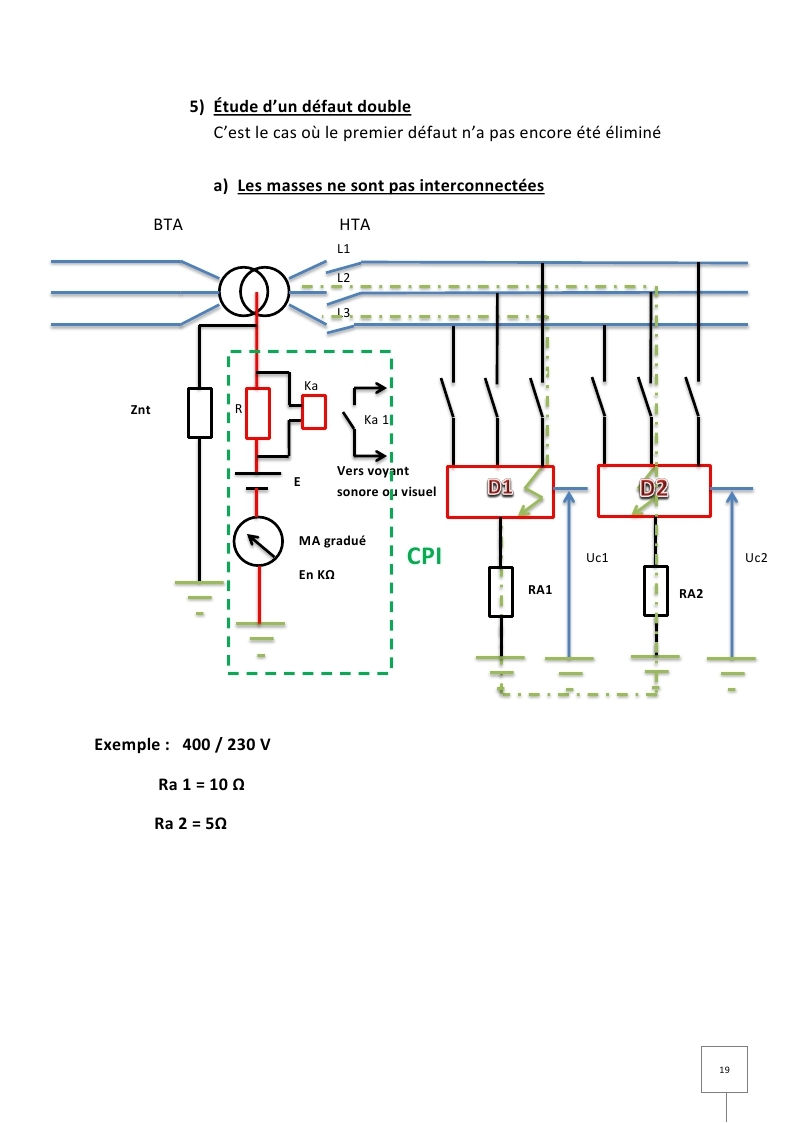
​Schéma de liaison de mise a la terre (SLT) ou régime de neutre 

bottom of page